扬州天源电器有限公司
点击这里给我发消息
扬州天源电器有限公司
网站首页 关于我们 产品展示 技术参数 新闻动态 人力资源 客户留言 联系我们
还没有任何的内容
扬州天源电器有限公司
地址:江苏省扬州市邗江区鸿扬路8号
电话:0514-87780609
传真:0514-87780509
Mail:YZTY609@sina.com
    您现在的位置:网站首页 >> 技术参数-TYM1塑料外壳式断路器(3)
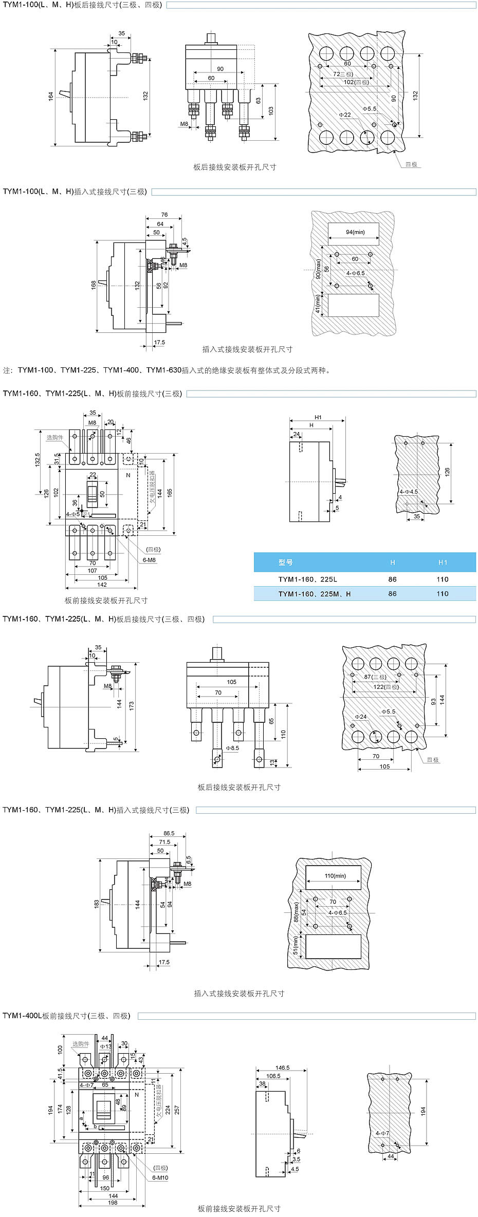
TYM1塑料外壳式断路器(3)
 

 
Copyright 2012-2015 扬州天源电器有限公司 All Rights Reserved
地址:江苏省扬州市邗江区鸿扬路8号 电话:0514-87780609 传真:0514-87780509 Mail:YZTY609@sina.com